Product Summary
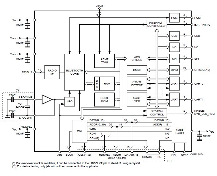
The STLC2415 is a bluetooth baseband controller with integrated 4 Mbit flash memory. Together with a Bluetooth Radio this product offers a compact and complete solution for short-range wireless connectivity. It incorporates all the lower layer functions of the Bluetooth protocol. The applications of the STLC2415 include: (1)Cable replacement; (2)Portable computers, PDA; (3)Modems; (4)Handheld data transfer devices; (5)Cameras; (6)Computer peripherals; (7)Other type of devices that require the wireless communication provided by Bluetooth.
Parametrics
STLC2415 absolute maximim ratings: (1)On the conditions of Supply voltage baseband core, VDD: min=VSS -0.5V, max=2.5V; (2)On the conditions of Supply voltage flash, VDDF: min=VSS-0.5V, max=2.5V; (3)On the conditions of Fast Program Voltage, VPP: min=VSS-0.5V, MAX=13V; (4)On the conditions of Supply voltage baseband I/O, VDDIO: max=4V; (5)On the conditions of Supply voltage flash I/O, VDDQ: min=VSS- 0.5V, max=2.5V; (6)On the conditions of Input voltage on any digital pin (excluding FLASH input pins), VIN: min=VSS-0.5V, max=VDDIO+0.3V; (7)On the conditions of Operating ambient temperature, Tamb: min=-40℃, max=+85℃; (8)On the conditions of Storage temperature, Tstg: min=-55℃, max=+150℃; (9)On the conditions of Lead temperature < 10s, Tlead: max=+240℃.
Features
STLC2415 features: (1)Bluetooth V1.1 specification compliant; (2)SW compatible with STLC2410B-M28R400CT combination; (3)2 layer class 4 PCB compatible; (4)Point-to-point, point-to-multi-point (up to 7 slaves) and scatternet capability; (5)Asynchronous Connection Less (ACL) link support giving data rates up to 721 kbps; (6)Synchronous Connection Oriented (SCO) link; (7)Standard BlueRF bus interface; (8)Ciphering support for up to 128-bit key.
Diagrams

| Image | Part No | Mfg | Description | ![]() |
Pricing (USD) |
Quantity | ||||
|---|---|---|---|---|---|---|---|---|---|---|
![]() |
![]() STLC2415 |
![]() Other |
![]() |
![]() Data Sheet |
![]() Negotiable |
|
||||
| Image | Part No | Mfg | Description | ![]() |
Pricing (USD) |
Quantity | ||||
![]() |
![]() STLC1 |
![]() Other |
![]() |
![]() Data Sheet |
![]() Negotiable |
|
||||
![]() |
![]() STLC1502 |
![]() Other |
![]() |
![]() Data Sheet |
![]() Negotiable |
|
||||
![]() |
![]() STLC1510 |
![]() Other |
![]() |
![]() Data Sheet |
![]() Negotiable |
|
||||
![]() |
![]() STLC1511 |
![]() Other |
![]() |
![]() Data Sheet |
![]() Negotiable |
|
||||
![]() |
![]() STLC1512 |
![]() Other |
![]() |
![]() Data Sheet |
![]() Negotiable |
|
||||
![]() |
![]() STLC2150 |
![]() STMicroelectronics |
![]() Bluetooth Bluetooth Radio Rcvr |
![]() Data Sheet |
![]() Negotiable |
|
||||
(China (Mainland))









