Product Summary
The MCL4148-TR is a small signal fast diode swtich. Its applications include extreme fast switches.
Parametrics
MCL4148-TR absolute maximum ratings: (1)Repetitive peak reverse peak, VRRM: 100V; (2)Reverse voltage, VR: 75V; (3)Peak forward surge current, IFSM: 2A; (4)Repetitive peak forward current, IFRM: 450mA; (5)Forward continuous current, IF: 200mA; (6)Average forward current, IFAV: 150mA; (7)Power dissipation, Ptot: 500mW.
Features
MCL4148-TR features: (1)Silicon epitaxial planar diodes; (2)Saving space; (3)Hermetic sealed parts; (3)Fits onto SOD323/SOT23 footprints; (4)Electrical data identical with devices 1N4148 and 1N4448 respectively; (5)Micro melf package; (6)Lead Pb-free component; (7)Component in accordance to RoHS 2002/95/EC and WEEE 2002/96/EC.
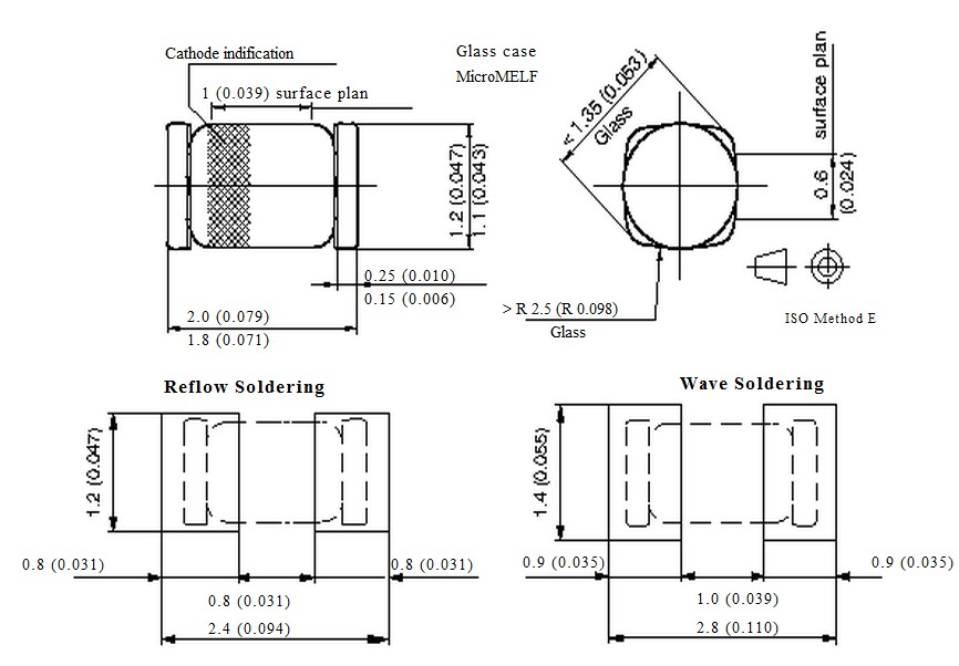
Diagrams

| Image | Part No | Mfg | Description | ![]() |
Pricing (USD) |
Quantity | ||||||||||||
|---|---|---|---|---|---|---|---|---|---|---|---|---|---|---|---|---|---|---|
![]() |
![]() MCL4148-TR |
![]() Vishay Semiconductors |
![]() Diodes (General Purpose, Power, Switching) 100 Volt 350mA |
![]() Data Sheet |
![]()
|
|
||||||||||||
![]() |
![]() MCL4148-TR3 |
![]() Vishay Semiconductors |
![]() Diodes (General Purpose, Power, Switching) 100 Volt 350mA 2.0 Amp IFSM |
![]() Data Sheet |
![]()
|
|
||||||||||||
(China (Mainland))









