Product Summary
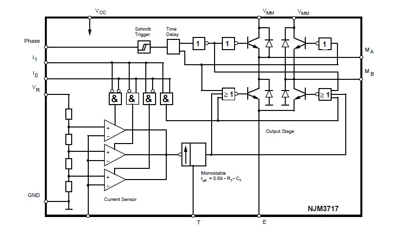
The NJM3717FM2 is a stepper motor driver, which consists of a LS-TTL compatible logic input stage, a current sensor, a monostable multivibrator and a high power H-bridge output stage with built-in protection diodes.
Parametrics
NJM3717FM2 absolute maximum ratings: (1)Logic supply, VCC: 7V; (2)Motor supply voltage, VMM: 50V; (3)Logic inputs voltage, VI: 6V; (4)Comparator input voltage, VC: VCCV; (5)Reference input voltage, VR: 15V; (6)Motor output current, IM: +1200mA; (7)Operating junction temperature, Tj: +150°C; (8)Storage temperature, Tstg: +150°C.
Features
NJM3717FM2 features: (1)Half-step and full-step modes; (2)Switched mode bipolar constant current driver; (3)Wide range of current control 5 to 1200mA; (4)Wide voltage range 10 to 50V; (5)Thermal overload protection; (6)Packages DIP16/PLCC28/EMP20.
Diagrams

| Image | Part No | Mfg | Description | ![]() |
Pricing (USD) |
Quantity | ||||||||||||
|---|---|---|---|---|---|---|---|---|---|---|---|---|---|---|---|---|---|---|
![]() |
![]() NJM3717FM2 |
![]() NJR |
![]() Motor / Motion / Ignition Controllers & Drivers Stepper |
![]() Data Sheet |
![]()
|
|
||||||||||||
![]() |
![]() NJM3717FM2-TE3 |
![]() NJR |
![]() Motor / Motion / Ignition Controllers & Drivers Stepping Motor Driver |
![]() Data Sheet |
![]()
|
|
||||||||||||
(China (Mainland))









