Product Summary
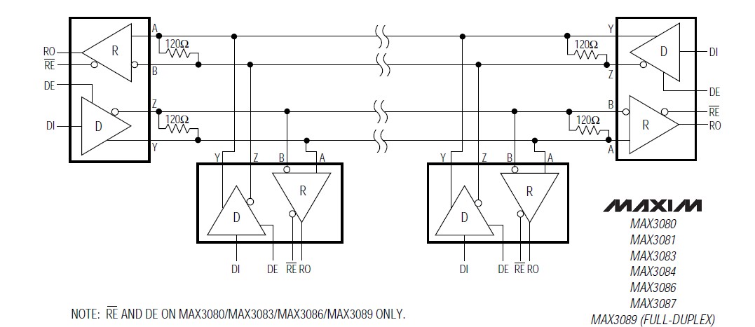
The MAX3080CSD high-speed transceiver for RS-485/RS-422 communication contains one driver and one receiver. The device features fail-safe circuitry, which guarantees a logic-high receiver output when the receiver input is open or shorted. This means that the receiver output will be a logic high if all transmitter on a terminated bus is disabled (high impedance). The MAX3080CSD features reduced slew-rate drivers that minimize EMI and reduce reflections caused by improperly terminated cables, allowing error-free data transmission up to 115kbps. The MAX3080CSD offers higher driver output slew-rate limits, allowing transmit speeds up to 500kbps. The MAX3080CSD driver slew rate is not limited, making transmit speeds up to 10Mbps possible. The MAX3080CSDs slew rate is selectable between 115kbps, 500kbps, and 10Mbps by driving a selector pin with a single three-state driver. The transceiver typically draws 375μA of supply current when unloaded, or when fully loaded with the driver disabled.
Parametrics
MAX3080CSD absolute maximum ratings: (1)Supply Voltage (VCC) +7V; (2)Control Input Voltage (RE, DE) -0.3V to (VCC + 0.3V); (3)Special Input Voltage (H/F, SRL, TXP, RXP) -0.3V to (VCC + 0.3V); (4)Driver Input Voltage (DI) -0.3V to (VCC + 0.3V); (5)Driver Output Voltage (A, B, Y, Z) ±13V; (6)Receiver Input Voltage (A, B) ±13V; (7)Receiver Input Voltage, Full Duplex (A, B) ±25V; (8)Receiver Output Voltage (RO) -0.3V to (VCC + 0.3V).
Features
MAX3080CSD features: (1)True Fail-Safe Receiver While Maintaining EIA/TIA-485 Compatibility; (2)Enhanced Slew-Rate Limiting Facilitates Error-Free Data Transmission; (3)1nA Low-Current Shutdown Mode; (4)Pin-Selectable Full/Half-Duplex Operation; (5)Phase Controls to Correct for Twisted-Pair Reversal; (6)Allow Up to 256 Transceivers on the Bus.
Diagrams

| Image | Part No | Mfg | Description | ![]() |
Pricing (USD) |
Quantity | ||||||||||||
|---|---|---|---|---|---|---|---|---|---|---|---|---|---|---|---|---|---|---|
![]() |
![]() MAX3080CSD |
![]() Maxim Integrated Products |
![]() RS-422/RS-485 Interface IC |
![]() Data Sheet |
![]() Negotiable |
|
||||||||||||
![]() |
![]() MAX3080CSD-T |
![]() Maxim Integrated Products |
![]() RS-422/RS-485 Interface IC |
![]() Data Sheet |
![]() Negotiable |
|
||||||||||||
![]() |
![]() MAX3080CSD+T |
![]() Maxim Integrated Products |
![]() RS-422/RS-485 Interface IC Fail-Safe 10Mbps RS-485/RS-422 Tcvr |
![]() Data Sheet |
![]()
|
|
||||||||||||
![]() |
![]() MAX3080CSD+ |
![]() Maxim Integrated Products |
![]() RS-422/RS-485 Interface IC Fail-Safe 10Mbps RS-485/RS-422 Tcvr |
![]() Data Sheet |
![]()
|
|
||||||||||||
(China (Mainland))










