Product Summary
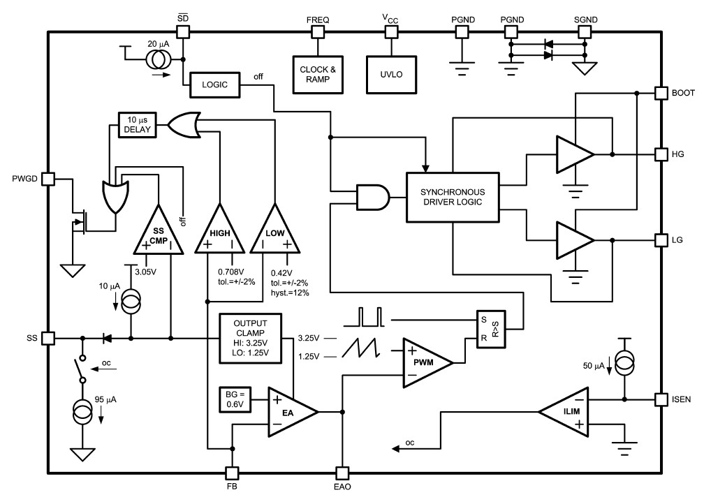
The LM2742MTCX is an N-channel FET synchronous buck regulator controller for low output voltage. The LM2742MTCX is a high-speed, synchronous, switching regulator controller. It is intended to control currents of 0.7A to 20A with up to 95% conversion efficiencies. Power up and down sequencing is achieved with the power-good flag, adjustable soft-start and output enable features. The LM2742MTCX operates from a low-current 5V bias and can convert from a 1V to 16V power rail. The part utilizes a fixedfrequency, voltage-mode, PWM control architecture and the switching frequency is adjustable from 50kHz to 2MHz by setting the value of an external resistor. Current limit is achieved by monitoring the voltage drop across the onresistance of the low-side MOSFET, which enables on-times on the order of 40ns, one of the best in the industry. The wide range of operating frequencies gives the power supply designer the flexibility to fine-tune component size, cost, noise and efficiency. The adaptive, non-overlapping MOSFET gate-drivers and high-side bootstrap structure helps to further maximize efficiency. The high-side power FET drain voltage can be from 1V to 16V and the output voltage is adjustable down to 0.6V.
Parametrics
LM2742MTCX absolute maximum rating: (1)VCC 7V; (2)BOOTV 21V; (3)LG and HG to GND (Note 3) -2V to 21V; (4)Junction Temperature 150℃; (5)Storage Temperature -65℃ to 150℃; (6)Soldering Information Lead Temperature (soldering, 10sec) 260℃; (7)Infrared or Convection (20sec) 235℃; (8)ESD Rating 2 kV.
Features
LM2742MTCX features: (1)Input power from 1V to 16V; (2)Output voltage adjustable dowto 0.6V; (3)Power Good flag, adjustable soft-start and output enable for easy power sequencing; (4)Reference Accuracy: 1.5% (0℃ - 125℃); (5)Current limit without sense resistor; (6)Soft start; (7)Switching frequency from 50 kHz to 2 MHz; (8)40ns typical minimum on-time; (9)TSSOP-14 package.
Diagrams

| Image | Part No | Mfg | Description | ![]() |
Pricing (USD) |
Quantity | ||||||||||||
|---|---|---|---|---|---|---|---|---|---|---|---|---|---|---|---|---|---|---|
![]() |
![]() LM2742MTCX |
![]() National Semiconductor (TI) |
![]() Switching Converters, Regulators & Controllers |
![]() Data Sheet |
![]()
|
|
||||||||||||
![]() |
![]() LM2742MTCX/NOPB |
![]() National Semiconductor (TI) |
![]() Switching Converters, Regulators & Controllers |
![]() Data Sheet |
![]()
|
|
||||||||||||
(China (Mainland))










