Product Summary
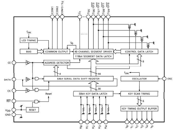
The TC9297F(BS,K) is a LCD driver with on-chip key input, which is serial data controlled.
Parametrics
TC9297F(BS,K) absolute maximum ratings: (1)Supply Voltage VDD: -0.3~7.0V; (2)Input Voltage VIN: -0.3~VDD +0.3V; (3)Power Dissipation PD: 300mW; (4)Operating Temperature Topr: -40-85℃; (5)Storage Temperature Tstg: -65-150℃.
Features
TC9297F(BS,K) features: (1)Supports switching between 1/2 and 1/3 duty, and between 1/2 and 1/3 bias.; (2)Displays up to 80 segments in 1/2-duty mode and up to 117 segments in 1/3-duty mode.; (3)All display segments can be either off or on. Outputs of pins S36-S39 can be switched between segment output and LED driver output.; (4)Supports key input from up to 30 keys.; (5)3-wire configuration for controller connection.
Diagrams

![]() |
![]() TC9200 |
![]() Other |
![]() |
![]() Data Sheet |
![]() Negotiable |
|
||||
![]() |
![]() TC9203P |
![]() Other |
![]() |
![]() Data Sheet |
![]() Negotiable |
|
||||
![]() |
![]() TC9204M |
![]() Other |
![]() |
![]() Data Sheet |
![]() Negotiable |
|
||||
![]() |
![]() TC9205M |
![]() Other |
![]() |
![]() Data Sheet |
![]() Negotiable |
|
||||
![]() |
![]() TC9208M |
![]() Other |
![]() |
![]() Data Sheet |
![]() Negotiable |
|
||||
![]() |
![]() TC9210P |
![]() Other |
![]() |
![]() Data Sheet |
![]() Negotiable |
|
||||
(China (Mainland))








