Product Summary
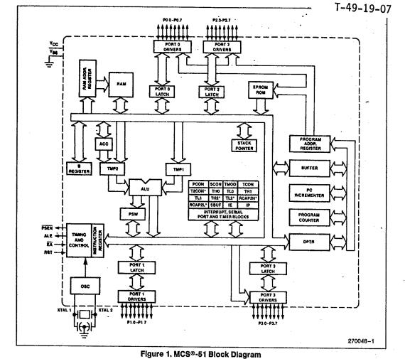
The D8751H is an 8-bit control-oriented microcomputer. It is optimized for control applications. Byte-processing and numerical operations on small data structures are facilitated by a variety of fast addressing modes for accessing the internal RAM. The D8751H is fully compatible with its predecessor, the 8751-8, but incorporates two new features: a program memory security bit that can be used to protect the EPROM against unauthorized read-out, and a programmable baud rate modification bit.
Parametrics
D8751H absolute maximum ratings: (1)ambient temperature under bias:0℃ to 70℃; (2)storage temperature:-65℃ to +150℃; (3)voltage on EA/VPP pin to VSS:-0.5V to +21.5V; (4)voltage on any other pin to VSS:-0.5V to +7V; (5)power dissipation:1.5W.
Features
D8751H features: (1)high performance HMOS process; (2)internal timers/event counters; (3)2-level interrupt priority structure; (4)32 I/O lines(four 8-bit ports); (5)64K program memory space; (6)security feature protects EPROM parts against software piracy; (7)boolean processor; (8)bit-addressable RAM; (9)programmable full duplex serial channel; (10)111 instructions(64 single-cycle); (11)64K data memory space.
Diagrams

(China (Mainland))






