Product Summary
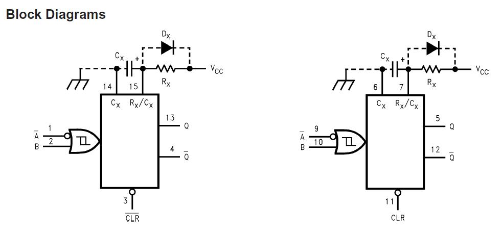
The 74VHC123AMTCX is an advanced high speed CMOS Monostable Multivibrator fabricated with silicon gate CMOS technology. It achieves the high speed operation similar to equivalent Bipolar Schottky TTL while maintaining the CMOS low power dissipation. Each multivibrator features of 74VHC123AMTCX both a negative, A, and a positive, B, transition triggered input, either of which can be used as an inhibit input. Also included is a clear input that when taken low resets the one-shot. The 74VHC123AMTCX can be triggered on the positive transition of the clear while A is held low and B is held high.
Parametrics
74VHC123AMTCX absolute maximum ratings: (1)Supply Voltage: –0.5V to +7.0V; (2)DC Input Voltage: –0.5V to +7.0V; (3)DC Output Voltage: –0.5V to VCC + 0.5V; (4)Input Diode Current: –20mA; (5)Output Diode Current: ±20mA; (6)DC Output Current: ±25mA; (7)DC VCC / GND Current: ±50mA; (8)Storage Temperature: –65℃ to +150℃; (9)Lead Temperature (Soldering, 10 seconds): 260℃.
Features
74VHC123AMTCX features: (1)High Speed: tPD=8.1ns (Typ.) at TA=25℃; (2)Low Power Dissipation: ICC=4μA (Max) at TA=25℃; (3)Active State: ICC=600μA (Max.) at TA=25℃; (4)High Noise Immunity: VNIH=VNIL=28% VCC(Min.); (5)Power down protection is provided on all inputs; (6)Pin and function compatible with 74HC123A.
Diagrams

| Image | Part No | Mfg | Description | ![]() |
Pricing (USD) |
Quantity | ||||||||||||
|---|---|---|---|---|---|---|---|---|---|---|---|---|---|---|---|---|---|---|
![]() |
![]() 74VHC123AMTCX |
![]() Fairchild Semiconductor |
![]() Monostable Multivibrator Dual Multivibrator |
![]() Data Sheet |
![]()
|
|
||||||||||||
![]() |
![]() 74VHC123AMTCX_NL |
![]() Fairchild Semiconductor |
![]() Monostable Multivibrator FINISHED GOOD |
![]() Data Sheet |
![]() Negotiable |
|
||||||||||||
(China (Mainland))










